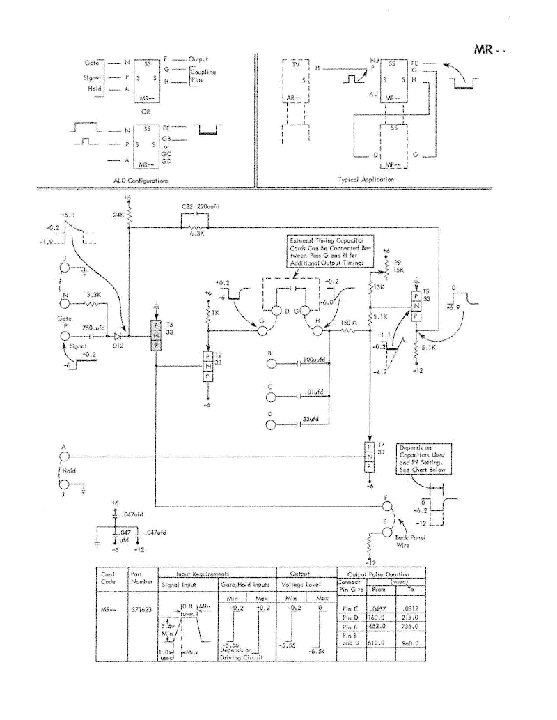
Function of the card:
Voltage Mode Single Shot 2
Ctrl-vm single shot #2
Complemented Transistor Resistor Logic (CTRL) is IBM's term for a form of  resistor-transistor logic.
Part number:371623
Used in:IBM 1410
Symbol:SS
SS: Single Shot. Provides a monostable output which can be pulsed into its quasi-stable state for a predetermined duration. with each input triggering pulse or triggering voltage change. Once triggered, the output pulse duration becomes independent of input time duration or amplitude.
References:
IBM Standard Modular System, Component Circuits, p226,227.
1410_SMS_VOL_1.pdf/1410_SMS_VOL_2.pdf, p2095.
This page created by Ken Shirriff, 2015.
The information on these pages comes from a variety of sources, especially old IBM documents on bitsavers.org, as well as information from the IBM 1401 restoration team, especially Tim Coslet's SMS data and Jim Hunt's data. Images courtesy of Randall Neff. Much of this information was obtained through OCR, so don't expect complete accuracy. These pages are not associated with IBM in any way.
Creation time: Tue Mar 03 23:40:34 2015.


