Function of the card:
CTDL-Trigger No 2
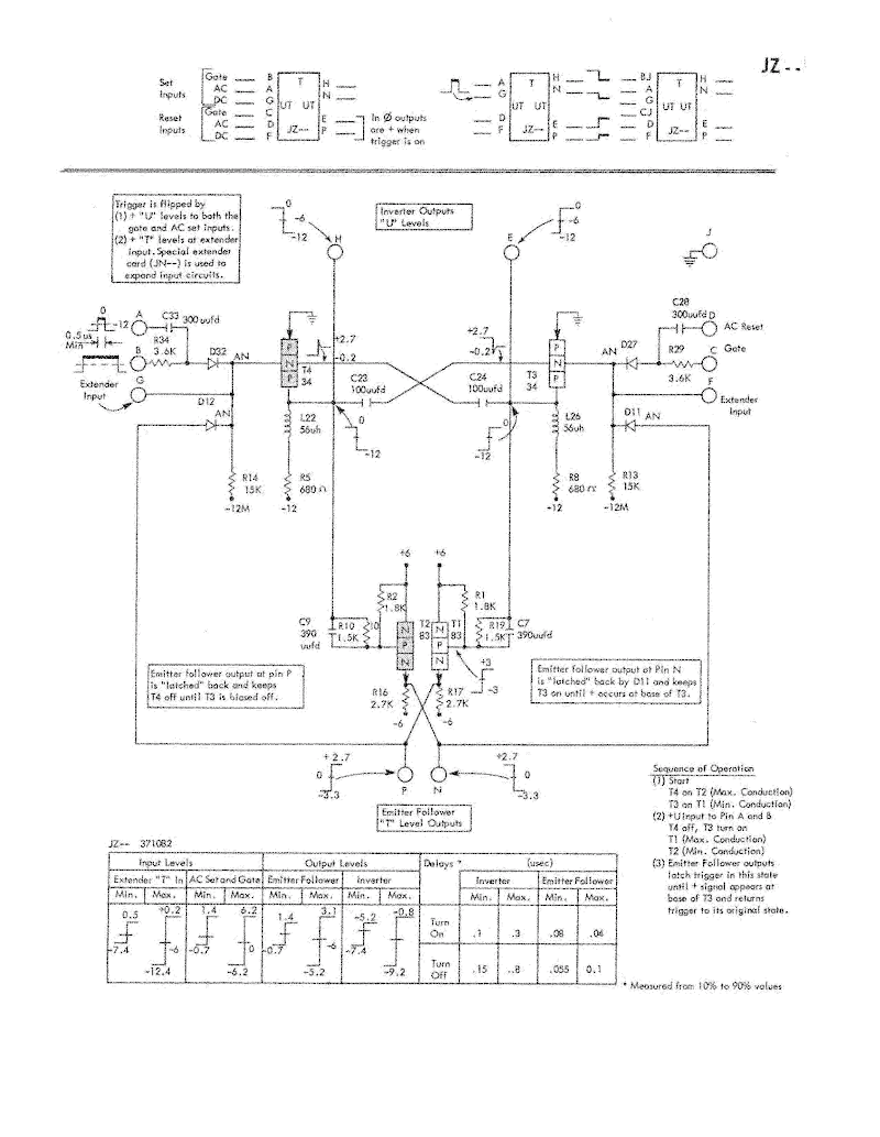
CTDL Trigger 2
Complemented Transistor Diode Logic (CTDL) is IBM's term for a form of diode-transistor logic.
Trigger is IBM's term for a flip flop or latch.
Part number:371082
Field replacement part number:371082
Customer Eng reference number:729882
Symbol:T
T: Trigger. A conditioned bi-stable device whose steady-state outputs change from one stable state to the other with two separate triggering levels, pulses, or voltage changes. The set input turns the trigger on if the reset input Is not on, and vice versa.
Family: CTDL high speed
References:
IBM Standard Modular System, Component Circuits, p164,165.
2_2 SMS Cards, p39,40.
This page created by Ken Shirriff, 2015.
The information on these pages comes from a variety of sources, especially old IBM documents on bitsavers.org, as well as information from the IBM 1401 restoration team, especially Tim Coslet's SMS data and Jim Hunt's data. Images courtesy of Randall Neff. Much of this information was obtained through OCR, so don't expect complete accuracy. These pages are not associated with IBM in any way.
Creation time: Tue Mar 03 23:40:34 2015.



