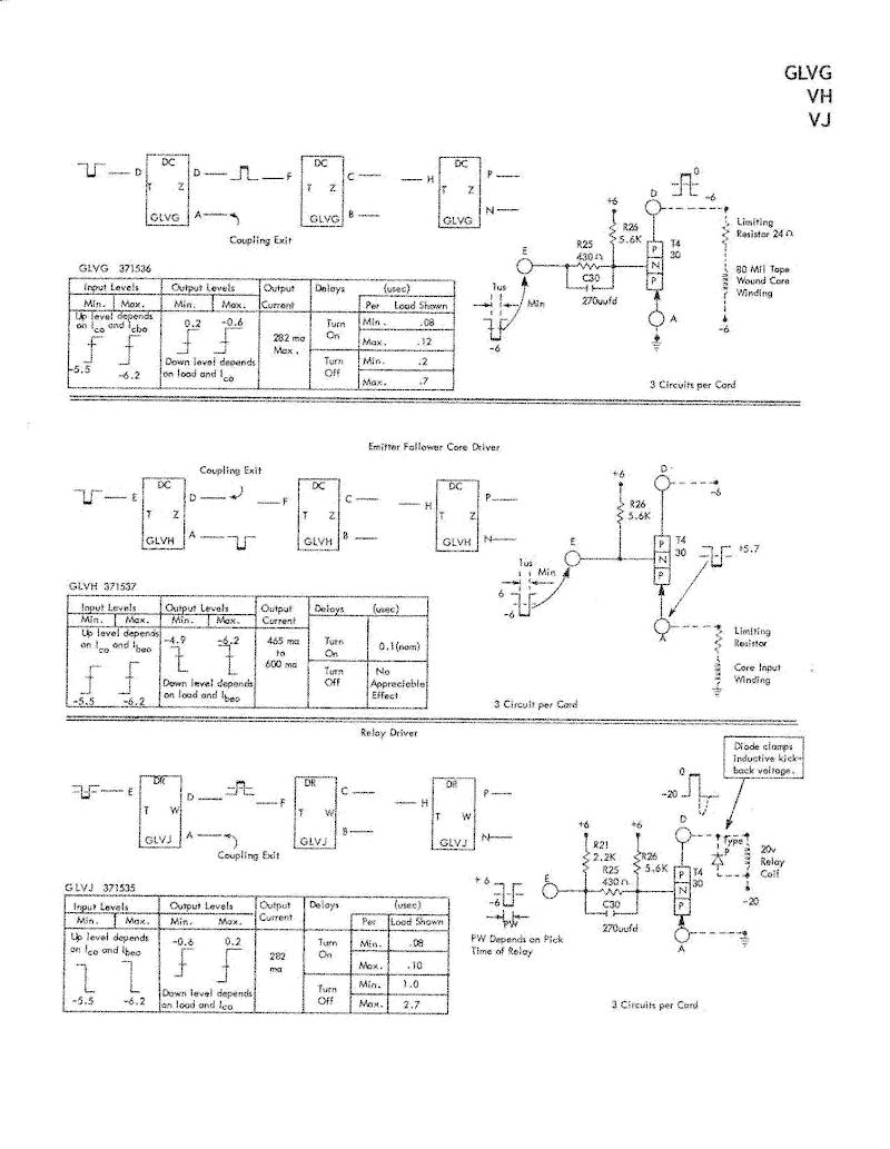
Function of the card:
Inverter Core Driver
Part number:371536
Used in:IBM 7070
Symbol:DC
DC: Driver Core. Same as D, with the device being driven identified as a core.
Family: current mode
References:
IBM Standard Modular System, Component Circuits, p124,125.
This page created by Ken Shirriff, 2015.
The information on these pages comes from a variety of sources, especially old IBM documents on bitsavers.org, as well as information from the IBM 1401 restoration team, especially Tim Coslet's SMS data and Jim Hunt's data. Images courtesy of Randall Neff. Much of this information was obtained through OCR, so don't expect complete accuracy. These pages are not associated with IBM in any way.
Creation time: Tue Mar 03 23:40:33 2015.

