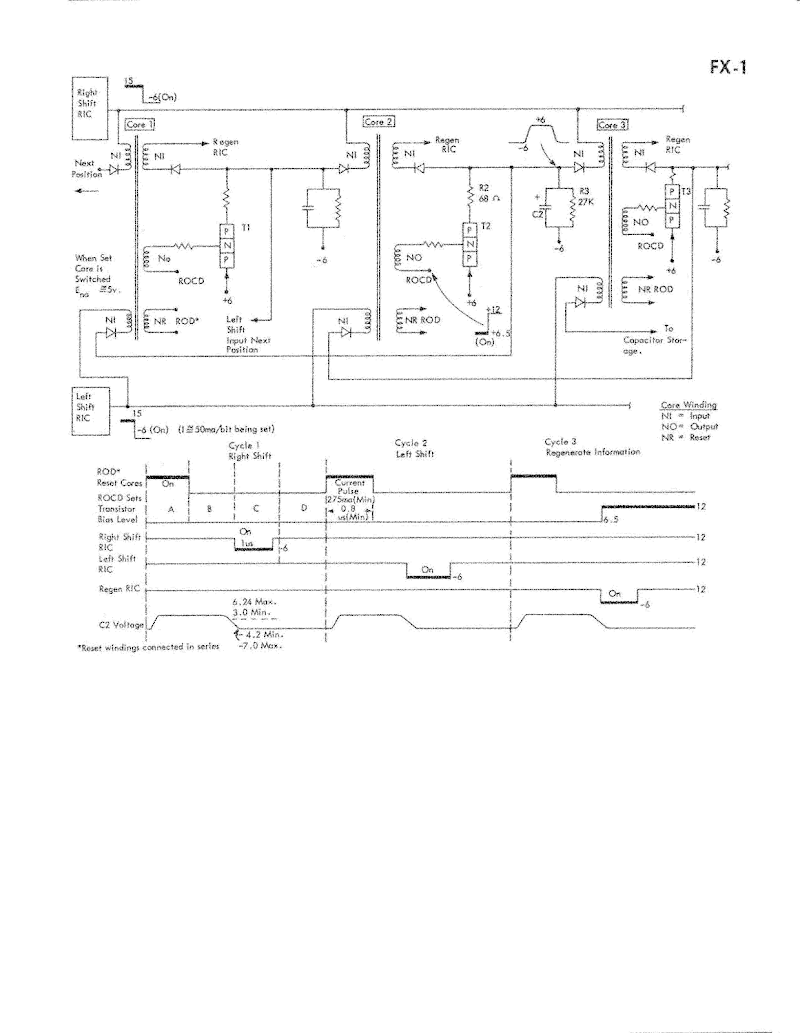
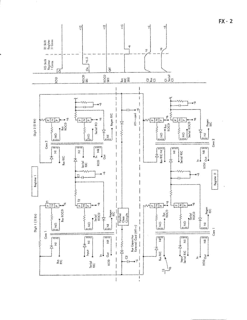
Function of the card:
Magnetic Core Shift Register
Part number:371506
Used in:IBM 7070
Symbol:SR
SR: Shift Register Cards. Used to form shift registers capable of serial and parallel shifting.
Family: current mode
References:
IBM Standard Modular System, Component Circuits, p109,110,111,112.
This page created by Ken Shirriff, 2015.
The information on these pages comes from a variety of sources, especially old IBM documents on bitsavers.org, as well as information from the IBM 1401 restoration team, especially Tim Coslet's SMS data and Jim Hunt's data. Images courtesy of Randall Neff. Much of this information was obtained through OCR, so don't expect complete accuracy. These pages are not associated with IBM in any way.
Creation time: Tue Mar 03 23:40:33 2015.



