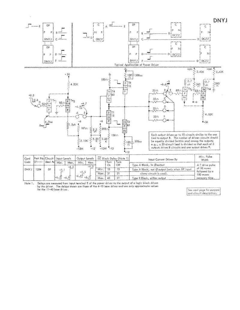
Function of the card:
P to P Power Driver (11-40 Bases)
Part number:371354
Used in:IBM 7090
Symbol:DP
DP: Driver, Power. A power driver used to drive Into multiple bases.
Family: .
References:
IBM Standard Modular System, Component Circuits, p95,96.
This page created by Ken Shirriff, 2015.
The information on these pages comes from a variety of sources, especially old IBM documents on bitsavers.org, as well as information from the IBM 1401 restoration team, especially Tim Coslet's SMS data and Jim Hunt's data. Images courtesy of Randall Neff. Much of this information was obtained through OCR, so don't expect complete accuracy. These pages are not associated with IBM in any way.
Creation time: Tue Mar 03 23:40:33 2015.

